Nos cours
Pneus
Challenge Metzeler
Pièce TM
shopping_cart
Panier
(0)
Accueil
Vue éclatée
pièce TM
2019
EN 144
AMORTISSEUR
AMORTISSEUR
AMORTISSEUR - EN 144 2019
Numéro
Référence
Nom
Prix
Stock
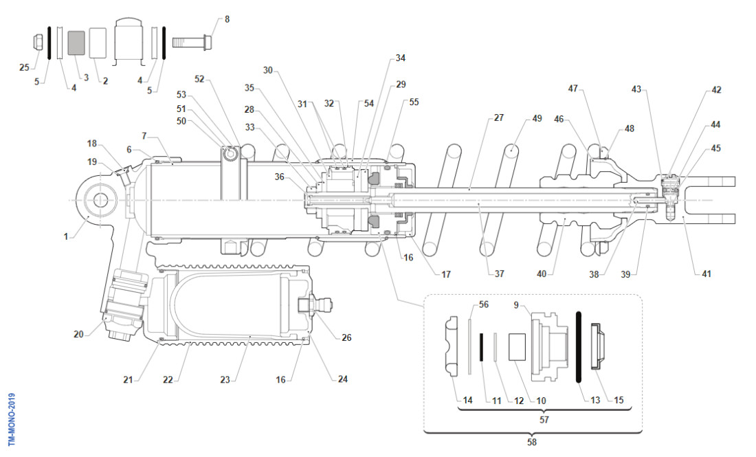
1
201772194
TESTINA MONO TM 2T
Prix
253,90 €
999
2
19101
GABBIA RULLI DL 18/12 TRIANG.
Prix
14,38 €
999
3
73213
BOCCOLA 18 X 12.3 F.10 TRIANG. + MONO
Prix
10,32 €
999
4
26536
SPESSORE PER TESTINA AMM.RE TMF
Prix
4,17 €
999
5
12058
O RING TESTA AMMORTIZZATORE
Prix
2,69 €
999
6
9112007
O RING SCARICO 250/300 M.99/-> O-RING 80cc M. 86/
Prix
2,69 €
999
7
72527
TUBO CORPO MONOAMMORTIZ.TM M57F
Prix
105,25 €
999
8
0849792
VITE TE F/R 10X54 1.25 T.AL
Prix
5,18 €
999
9
72529
GUIDASTELO MONO TMF
Prix
49,72 €
999
10
181272252
BOCCOLA SCORRIM. ASTA AMMOR.
Prix
25,22 €
999
11
04387
ANELLO DI TENUTA STELO MONO TMF
Prix
12,63 €
999
12
48399
RALLA SPALL.TO BOCCOLA ST.MONOF
Prix
2,88 €
999
13
12333
O-RING 147 (42.86x3.53)F
Prix
3,70 €
999
14
72402
TAMPONE F,C,ESTENSIONE AMMORT,F
Prix
19,49 €
999
15
04374
PARAPOLVERE AMMORTIZZATORE TMF
Prix
6,84 €
999
16
49268
SEEGER SB 50 (PER FORI)
Prix
6,49 €
999
17
72350
COPERCHIO MONOAMM. 250N TMF
Prix
49,41 €
999
18
0005
nous contacter
Prix
0,00 €
999
19
12306
O RING 2018-13 CARB.D.32-40 4TF
Prix
0,29 €
999
20
72406
VALVOLA COMPRESSIONE MONO TM
Prix
148,99 €
999
21
25012253
O RING SCARICO
Prix
3,26 €
999
22
72453
BOMBOLETTA MONOAMM. TM MAGG.F
Prix
173,11 €
999
23
72452
BLADDER MAGG. AMMORTIZZ. TMF
Prix
17,39 €
999
24
72455
TAPPO BOMBOLETTA MONO TM SB50F
Prix
61,17 €
999
25
49681
DADO M 10 X 1,25 CH 14 FLANG. AUTOBLOCK
Prix
5,66 €
999
26
72381
VALVOLA GONFIAGGIO BOMBOLETTAF
Prix
7,87 €
999
27
72456
STELO AMMORTIZZATORE TM +8mmF
Prix
116,07 €
999
28
72405
RONDELLA D.12x26x4F
Prix
13,75 €
999
29
72404
RONDELLA D.12x44.5x5F
Prix
14,32 €
999
30
72372
PISTONE AMMORTIZZATORE TMF
Prix
112,93 €
999
31
12328.1
O-RING PIST. AMMORTIZ. 42,5X2,00 FPM70 NEROF
Prix
10,45 €
999
32
72401
ANELLO TENUTA PIST.AMMORT.D.50F
Prix
21,95 €
999
33
49848
DADO M12x1,25 - AMMORT.TM""F
Prix
11,55 €
999
34
0000
nous contacter
Prix
0,00 €
999
35
0001
nous contacter
Prix
0,00 €
999
36
72406
VALVOLA COMPRESSIONE MONO TM
Prix
148,99 €
999
37
72457
ASTINA FRENA ESTENS.AMM.TM+8mmF
Prix
14,43 €
999
38
72371
PUNTALE PER ASTINA MONO TM STDF
Prix
18,36 €
999
39
12056
O RING ASTINA MONOAMMORTIZ. TM
Prix
5,95 €
999
40
72403
TAMPONE F.C.COMPRESS.AMMORTIZ.F
Prix
20,66 €
999
41
72364
PIEDINO A FORCH. MONOAMM.TM 2TF
Prix
150,55 €
999
42
72368
REGISTRO ESTENSIONE AMM.RE TMF
Prix
24,12 €
999
43
12319
O RING RITORNO MONO TMF
Prix
5,95 €
999
44
16455
MOLLA BLOCCAGGIO REGIST.ESTENSF
Prix
5,80 €
999
45
19057
SFERA D. 3 mm
Prix
5,95 €
999
46
0002
nous contacter
Prix
0,00 €
999
47
72366
FLANGIA PORTA-MOLLA MONOAMM.F
Prix
22,62 €
999
48
49845
ANELLO DI RITEGNO X ALBER.D.60F
Prix
5,86 €
999
49
72462
MOLLA MONOAMM. TM ACC. K=40F
Prix
157,87 €
999
50
5772419
GHIERA PREC. MOLLA MONO TM M
Prix
48,63 €
999
51
1849475
VITE TCEI 5X
Prix
2,64 €
999
52
372089
RONDELLA MONO TM 75X60.75 X0.
Prix
5,56 €
999
53
1149601
RONDELLA 5X
Prix
0,19 €
999
54
26548
BOCCOLA PROT.CORPO MONOAMM. TMF
Prix
6,19 €
999
55
49852
ANELLO RITEGNO X ALB. D.54.2F
Prix
3,89 €
999
56
48398
RALLA SPA.GUARN.F04387 MONO TMF
Prix
5,52 €
999
57
1972409.19
KIT REVISIONE GUIDASTELO MONO TM MY
Prix
57,61 €
999
58
1972422
GUIDASTELO MONO TM CPL M.
Prix
112,07 €
999
59
72423
MOLLA MONOAMM. TM ACC. K=42F
Prix
157,87 €
999
60
72351
MOLLA MONOAMM. TM ACC. K=44F
Prix
157,87 €
999
61
72352
MOLLA MONOAMM. TM ACC. K=46F
Prix
157,87 €
999
62
72353
MOLLA MONOAMM. TM ACC. K=4.8F
Prix
157,87 €
999
63
72354
MOLLA MONOAMM. TM ACC. K=50F
Prix
157,87 €
999
64
72355
MOLLA MONOAMM. TM ACC. K=52F
Prix
157,87 €
999
65
72398
MOLLA MONOAMM. TM ACC. K=54F
Prix
157,87 €
999
66
72399
MOLLA MONOAMM. TM ACC. K=56F
Prix
157,87 €
999
67
72458
MOLLA MONOAMM. TM ACC. K=58F
Prix
157,87 €
999
68
72459
MOLLA MONOAMM. TM ACC. K=60F
Prix
157,87 €
999
69
72460
MOLLA MONOAMM. TM ACC. K=62F
Prix
157,87 €
999
check_circle
check_circle